Introduction #
4-Axis dual arm robots designed for use in substrate handling and semiconductor manufacturing environments.
Configuration #
- Bottom mount compatible.
- External power supply.
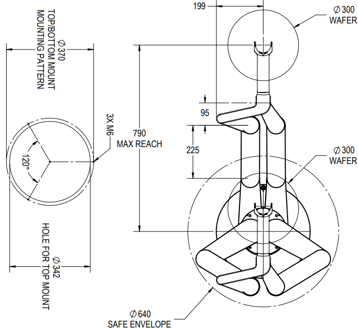
- Arm reach without bracket and end effectors.
- 450 mm (DA225)
- Safe envelope (diameter).
- 640 mm (DA225)
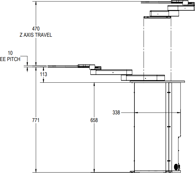
- Vertical travel
- 470 mm (B470)
Features #
- Brushless servo motors. Absolute encoders.
- External/Internal battery for encoders power backup.
- Comprehensive software tools and utilities.
- Handles radial and inline stations.
- Standard RS-232 and TCP/IP interface communication.
- Compliance with Semi S2 and other industry safety standard.
Specification #
- Units - Inches
- Resolution
- T - 0.01 °
- R/R2 - 0.0254 mm (0.001 Inch)
- Z - 0.0254 mm (0.001 Inch)
- Repeatability
- Unidirectional - +/- 0.025 mm
- Bidirectional - +/- 0.050 mm
- Range of Motion (Robot Units)
- T - 480 Degrees (-24 000 to 24 000)
- R/R2 - 900 mm (-17 716 to 17 716)
- Z - 470 mm (0 to 18 503)
- Maximum Velocity (Robot Units)
- T - 360 °/s (36 000 /s)
- R/R2 - 1016 mm/s (40 000 /s)
- Z - 450 mm/s (18 000 /s)
- Payload
- 150 mm (6 in) wafers
- 1 kg (2.2 lbs.)
- Weight - 40kg (88 lbs.)
- Reliability
- MTBF > 60 000 hours
- MCBF > 10 000 000 cycles
Software #
- Motion Control Framework
- Robust Servo algorithm.
- Powerful programming language.
- Custom Macro compatible.
- Robot Control Center
- Modern Utility Interface with station editing and tester.
Interfacing #
- Mounting Surface
- Mounting Screws
- Leveling Screws
- See Appendix A for Layout
- I/O Panel
- All connectors on panel.
- Vacuum Fittings too.
- Communication Protocol
- ASCII Based RS-232 or TCP/IP
- Power Requirements
- 100-240 VAC
- 50-60 Hz
- EMO Safety
Compliances #
- Safety - Semi S2
- Cleanliness - ISO Class 1 (At substrate handling level.)
Maintenance #
- Operating Environment
- Ambient Temperature - 5°C to 40°C (41°F to 104°F)
- Humidity - 5% to 90% non-condensing
- Storage/Transportation
- Temperature - -25°C to 55°C
- Humidity - 5% to 90% non-condensing
- Equipment should be shipped and stored in manufacturer-supplied packaging.
- Must always be stored or shipped upright in a clean, dry, condensation free environment.
- Recovering from EMO
- Restore secure environment.
- Restore power to motors.
- Enable Servo.
- Maintenance Parts List
- Belts
- Cleanroom Grease
- Brackets
- End Effector
Appendices #
Appendix A - Dimensions/Mounting B400/470 DA155 #
Appendix C - I/O Panel #
To Do : New IO Panel
Appendix D - I/O Panel Table #
| # | Type | Description | # | Type | Description | |
|---|---|---|---|---|---|---|
| 1 | LED | Motor Power | 10 | Connector | I/O | |
| 2 | LED | Logic Power | 11 | Connector | Lan | |
| 3 | LED | Encoder Power | 12 | Connector | Teach Pendant | |
| 4 | LED | Running | 13 | Connector | E-Stop | |
| 5 | LED | Warning | 14 | Fitting | Vacuum Fitting | |
| 6 | LED | Error | 15 | Display | Vacuum Display | |
| 7 | Fan | Exhaust Fan | 16 | Button | Brake Release | |
| 8 | Connector | Host | 17 | Connector | External Battery | |
| 9 | Connector | Extension | 18 | Connector | Power Entry |
Appendix E - RS-232 Pinout #

| Pin ID | Signal | Description | Pin ID | Signal | Description | |
|---|---|---|---|---|---|---|
| 1 | N/C | 6 | N/C | |||
| 2 | RS232 Rx | Receive Data | 7 | N/C | ||
| 3 | RS232 Tx | Transmit Data | 8 | N/C | ||
| 4 | N/C | 9 | N/C | |||
| 5 | GND | Ground |
N/C = Not Connected
Appendix F - User IO Pinout #

| Pin ID | Signal | Pin ID | Signal | |
|---|---|---|---|---|
| 1 | In 1+ | 11 | In 1- | |
| 2 | In 2+ | 12 | In 2- | |
| 3 | In 3+ | 13 | In 3- | |
| 4 | In 4+ | 14 | In 4- | |
| 5 | In 5+ | 15 | In 5- | |
| 6 | N/C | 16 | N/C | |
| 7 | Out 1+ | 17 | Out 1- | |
| 8 | Out 2+ | 18 | Out 2- | |
| 9 | Out 3+ | 19 | Out 3- | |
| 10 | N/C | 20 | N/C |
N/C = Not Connected
Appendix G - Opto-Isolated Digital Input Diagrams #

Appendix H - Opto-Isolated Digital Output Diagrams #
