Technical Specification / Preliminary 

HFP-612 PREALIGNER G2

Intorduction #

High precision prealigners designed to accompany semiconductor wafer handlers. The prealigner determines the center of the wafer and the orientation of the fiducial and positions the wafer for handling.

Features #

  • Compact design
  • Highly repeatable
  • Intelligent commands
  • Fast-scan high-throughout option available
  • Alignment cycle time of less than four seconds
  • Class 1 clean-room environment capability

Specification #

  • Input Voltage Range
    • 24VDC
  • Wafer Sizes
    • HFP-812 - 200mm, 300mm
    • HFP-312 - 3", 100mm, 125mm, 200mm, 300mm
  • Operating Temperature
    • 50ºF to 104ºF
    • 10ºC to 40ºC
  • Servo Axes
    • HFP-612 - Three Axes
  • Axes of Motion
    • Radial - X/Y Offset
    • Theta - Rotate Chuck
    • Z - Raise/Lower Pins
  • Detection
    • Optical, Non-contact
  • Flat & Notch Compatibility
    • Entire SEMI Range
  • Reliability
    • MTBF > 65000 hours

Interfacing #

  • Mounting Surface
    • Mounting Screws
    • Leveling Screws
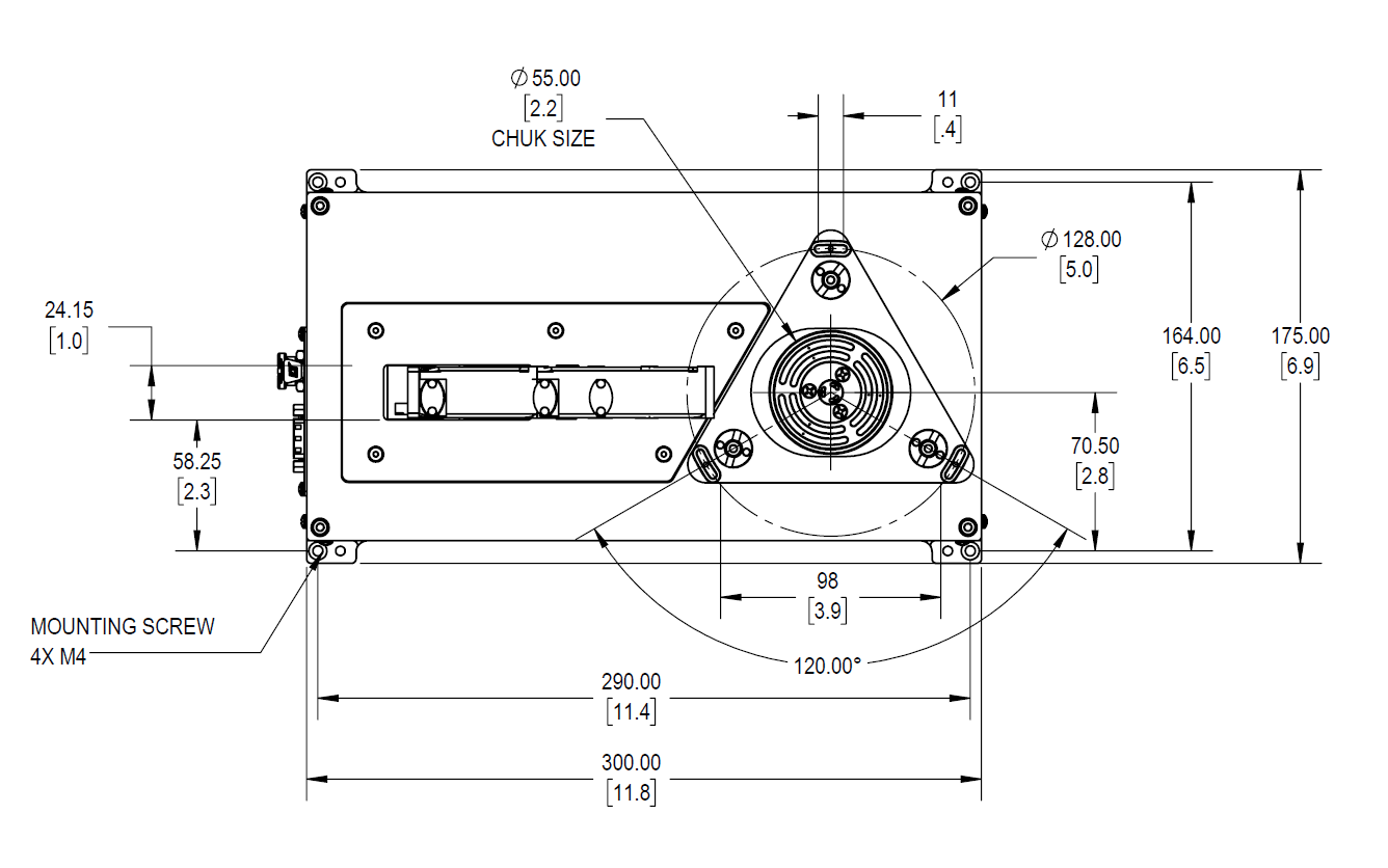
    • See Appendix A for Layout
  • I/O Panel
    • All connectors on panel.
    • Vacuum Fittings too.
  • Communication Protocol
    • ASCII Based RS-232
  • Power Requirements
    • 24 VDC
    • 2 Amp.

Compliances #

  • Safety - Semi S2
  • Cleanliness - ISO Class 1 (At substrate handling level.)

Maintenance #

  • Operating Environment
    • Ambient Temperature - ##°C to ##°C (##°F to ##°F)
    • Humidity - 5% to 90% non-condensing
  • Storage/Transportation
    • Temperature - ##°C to ##°C
    • Humidity - 5% to 90% non-condensing
    • Equipment should be shipped and stored in manufacturer-supplied packaging.
    • Must always be stored or shipped upright in a clean, dry, condensation free environment.
  • Recovering from EMO
    • Restore secure environment.
    • Restore power to motors.
    • Enable Servo.
  • Maintenance Parts List
    • TBD

Appendices #

Appendix A - HFP-612-GEN2 Dimensions & Mounting #

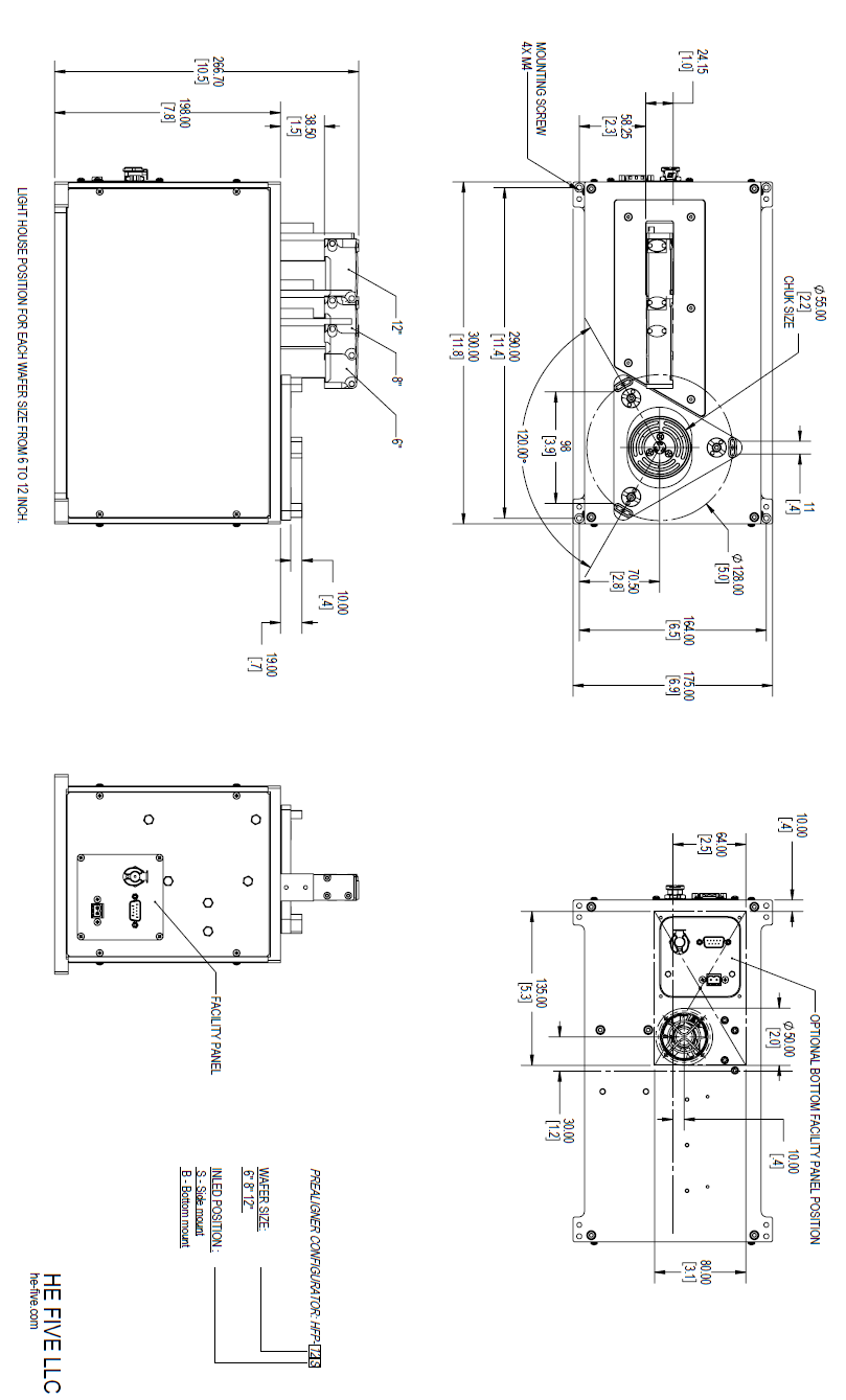
Appendix B - HFP-612-GEN2 Dimensions & Mounting #

Top View #

Bottom View #

Side View #

Back View #

Appendix C - I/O Panel #

# Type Description
1 Fitting Vacuum Fitting
2 Connector RS232
3 Connector Power

Appendix D - RS-232 Pinout #

Pin ID Signal Description Pin ID Signal Description
1 N/C 6 N/C
2 RS232 Rx Receive Data 7 N/C
3 RS232 Tx Transmit Data 8 N/C
4 N/C 9 N/C
5 GND Ground

N/C = Not Connected